产品分类
PRODUCT CENTER产品规格更多
| 产品 | 规格 |
|---|---|
| 二波板 | 4320*310*85*3/4 |
| 三波板 | 4320*506*85*3/4 |
| 圆立柱 | 直径140/114*4.5 |
| 方立柱 | 130*130*6*2540 |
| 防阻块 | 196*178*200*3/4.5 |
| 托 架 | 70*300*4/4.5 |
| 柱 帽 | 140/114适配 |
| 螺 栓 | M16*35/45/170 |
| 方垫片 | 76*44*4 |
| 单端头 | R160*3/4 |
点击数:52025-10-15 16:10:30 来源: 波形护栏|护栏板价格|高速护栏板厂家-冠县华安交通
GB/T 31439.2-2025《波形梁钢护栏 第2部分:三波形梁钢护栏》于2025年8月29日发布,计划于2026年3月1日实施,替代2015版标准,规范公路交通工程中三波形梁钢护栏的技术要求与安全性能。如需要2025标准电子版,可点击关注,评论区留言需要2025标准电子版。

a) 删除了产品分类(见2015年版的3.1.1);

b) 更改了产品组成(见4.2,2015年版的3.2);

c) 更改了三波形梁板用途、型号和规格(见4.3.1,2015年版的3.3.1);

d) 更改了三波形梁板背板的用途、规格、尺寸和允许公差(见4.3.2、5.2.2,2015年版的3.3.2、4.2.2);


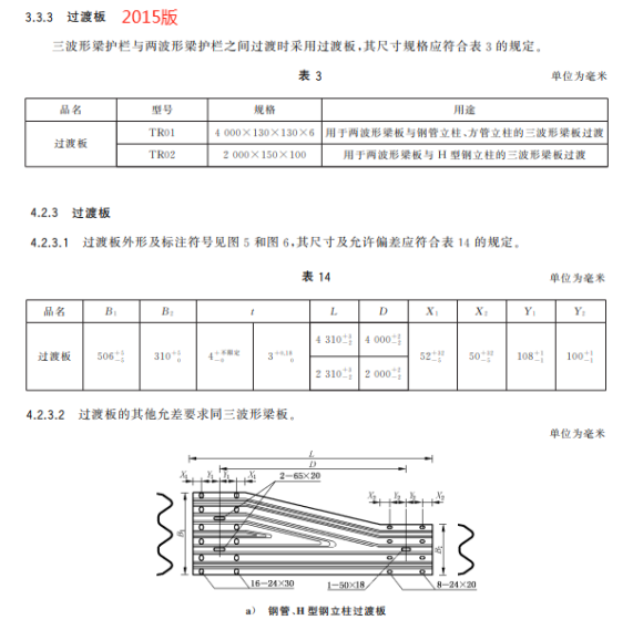
e) 更改了过渡板的用途、规格、尺寸和允许公差(见4.3.3、5.2.3,2015年版的3.3.3、4.2.3);




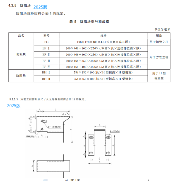
f) 更改了钢管立柱防阻块的用途、规格、尺寸和允许公差(见4.3.5、5.2.5.1、5.2.5.2,2015年版的3.3.5、4.2.5.1、4.2.5.2);


g) 增加了 BF Ⅳ型防阻块的用途、规格、尺寸和允许公差要求(见4.3.5、5.2.5.3);


如需要2025标准电子版,可点击关注,评论区留言需要2025标准电子版。

